Skip to Main Content
Internet Explorer 관련 안내:
로옴 웹 사이트는 IE11 사용을 권장하지 않습니다. 쾌적한 사용을 위해 브라우저를 갱신하여 주십시오.
뉴스
채용 정보
문의
사이트 내 검색
로옴 제품
Cross Reference
온라인 판매처 재고
ROHM Header
Global - English
Americas - English
Europe - English
Europe - Deutsch
ASEAN/India - English
简体中文
繁體中文
한국어
日本語
My ROHM 로그인
제품 정보
앰프 / 리니어
파워 매니지먼트 / 전원 IC
모터 / Actuator 드라이버
MOSFET / 트랜지스터 / 다이오드
보호 디바이스
파워 디바이스
저항기 / 캐패시터 (콘덴서)
메모리
클록 / 타이머
스위치 / 멀티플렉서 / 로직
데이터 컨버터
센서 / MEMS
디스플레이 드라이버
인터페이스
Wireless LSIs
오디오 / 비디오
Speech Synthesis LSIs
Microcontrollers (MCUs)
광 반도체
무선 모듈 / 프린트 헤드
파운드리
앰프 / 리니어
OP Amp
범용
고속
저소비전류
Low Noise
낮은 오프셋 전압
고성능
콤퍼레이터
범용
고속
저소비전류
Current Sense Amplifier ICs
파워 매니지먼트 / 전원 IC
DC-DC 컨버터 IC
강압 타입 (Buck)
승압 타입 (Boost)
승강압 / 반전 타입 (Buck-Boost / Inverting)
AC-DC (Offline) 강압
플라이백 스위칭 레귤레이터
Isolated, Optocoupler-less
PWM / Quasi-Resonant AC-DC (Offline)
AC-DC 컨버터 IC
PWM / Quasi-Resonant
PFC + Quasi-Resonant Combo
PFC
Secondary Side Synchronous Rectification
AC 전압 제로 크로스 검출 IC
리니어 레귤레이터
복합 전원 (PMIC, 시스템 전원)
LED 드라이버
승압 LED 드라이버
강압 LED 드라이버
승강압 LED 드라이버
멀티 타입 LED 드라이버
조명용 LED 드라이버
Inductorless (차지펌프) LED 드라이버
정전류 / Serial-in Parallel-out LED 드라이버
Voltage Detector (리셋 IC)
파워 매니지먼트 스위치 IC
IPD (Intelligent Power Device)
게이트 드라이버
절연 소자 내장 게이트 드라이버
Isolated Switch Driver (Isolated MOS Driver)
IGBT / MOSFET High / Low side 게이트 드라이버
Non-insulated Gate Drivers for Battery Management System (BMS)
GaN용 게이트 드라이버
Wireless Power
Power Receiver LSIs (13.56MHz Wireless Charge)
Power Transmitter LSIs (13.56MHz Wireless Charge)
배터리 관리
배터리 충전 IC
충전 보호 IC
Coulomb Counter
Li-ion Battery Monitoring LSIs
모터 / Actuator 드라이버
DC Brush 모터 드라이버
스테핑 모터 드라이버
단상 Brushless DC 모터 드라이버
3상 Brushless DC 모터 드라이버
고전압 3상 Brushless DC 모터 드라이버
팬 모터 드라이버
프린터용 드라이버
디지털 스틸 카메라용 드라이버
휴대전화 카메라 모듈용 드라이버
게이트 드라이버
절연 소자 내장 게이트 드라이버
IGBT / MOSFET High / Low side 게이트 드라이버
Non-insulated Gate Drivers for Battery Management System (BMS)
GaN용 게이트 드라이버
MOSFET / 트랜지스터 / 다이오드
MOSFET
12V~150V MOSFET
190V~800V 파워 MOSFET
오토모티브용 MOSFET
게이트 드라이버
절연 소자 내장 게이트 드라이버
IGBT / MOSFET High / Low side 게이트 드라이버
Non-insulated Gate Drivers for Battery Management System (BMS)
GaN용 게이트 드라이버
바이폴라 트랜지스터
바이폴라 트랜지스터
디지털 트랜지스터
달링턴 트랜지스터
이종 복합 트랜지스터
IGBT
Field Stop Trench IGBT
Ignition IGBT
IGBT Bare Die
다이오드
쇼트키 배리어 다이오드
패스트 리커버리 다이오드
표준 정류 다이오드
제너 다이오드
TVS 다이오드
ESD 보호 다이오드
스위칭 다이오드
밴드 스위칭 다이오드
PIN 다이오드
검파 쇼트키 다이오드
보호 다이오드
제너 다이오드
TVS 다이오드
ESD 보호 다이오드
IPD (Intelligent Power Device)
보호 디바이스s
보호 다이오드
제너 다이오드
TVS 다이오드
ESD 보호 다이오드
IPD (Intelligent Power Device)
파워 디바이스
파워 트랜지스터
12V~150V MOSFET
190V~800V 파워 MOSFET/a>
오토모티브용 MOSFET
바이폴라 트랜지스터
디지털 트랜지스터
파워 다이오드
쇼트키 배리어 다이오드
패스트 리커버리 다이오드
표준 정류 다이오드
TVS 다이오드
제너 다이오드
SiC 파워 디바이스
SiC 쇼트키 배리어 다이오드
SiC MOSFET
SiC 파워 모듈
SiC 쇼트키 배리어 다이오드 Bare Die
SiC MOSFET Bare Die
GaN 파워 디바이스
GaN HEMT
GaN HEMT 파워 스테이지 IC
GaN용 게이트 드라이버
IGBT
Field Stop Trench IGBT
Ignition IGBT
IGBT Bare Die
IPM
IGBT-IPM
MOS-IPM
게이트 드라이버
절연 소자 내장 게이트 드라이버
IGBT / MOSFET High / Low side 게이트 드라이버
Non-insulated Gate Drivers for Battery Management System (BMS)
저항기 / Capacitors
저항기
전류 검출용 (션트 저항기)
고신뢰성 타입
범용 타입
캐패시터 (콘덴서)
실리콘 캐패시터
메모리
시리얼 EEPROM
EEPROM
오토모티브용
클록 / 타이머
CR 제어 방식 타이머 IC
스위치 / 멀티플렉서 / 로직
표준 로직 IC
로직 게이트
USB 스위치 IC
파워 매니지먼트 스위치 IC
IPD (Intelligent Power Device)
데이터 컨버터
A/D 컨버터
D/A 컨버터
오디오 컨버터
센서 / MEMS
전류 센서 IC
홀 IC
조도 센서 IC
온도 센서 IC
쇼크 센서용 앰프
광 센서
디스플레이 드라이버
TN / STN LCD 표시용 드라이버
LCD 세그먼트 드라이버
Controller Drivers for Graphic LCD
Controller Drivers for Low Duty LCD
TFT LCD Drivers
OLED Drivers
인터페이스
SerDes IC
LVDS 인터페이스 IC
Gas Water Heaters Interface ICs
다입력 감시 LSI
LIN 트랜시버
CAN 트랜시버
USB Type-C Power Delivery
Wireless LSIs
Sub-GHz LSI, SoC
Sub-GHz LSI
Sub-GHz SoC
RFID LSI
오디오 / 비디오
오디오 앰프
스피커 앰프
헤드폰 앰프
라인 앰프
오디오 전원
고음질 오디오용 전원
카 오디오용 시스템 전원
오디오 프로세서
아날로그 오디오 프로세서
비디오 앰프
컴포지트 비디오 앰프
비디오 스위치
Isolation 앰프
오디오 컨버터
오디오 DAC
Video LSIs
Video Decoders
Video Encoders
Display Controller Series for Small to Medium-Sized TFT LCD
Speech Synthesis LSIs
Automotive-grade
Long Playback
Short Playback
Supports External Memory
Speech Play Back MCUs (8bit)
Microcontrollers (MCUs)
엣지 컴퓨터 AI 마이컴 (Solist-AI™ 마이컴)
파워 일렉트로닉스 제어용 마이컴 (LogiCoA™ 마이컴)
General-purpose MCUs (16bit)
Automotive MCUs (32bit)
USB Interface & Security function MCUs (32bit)
Speech Play Back MCUs (8bit)
광 반도체
LED (발광 다이오드)
칩 LED (단색 타입)
칩 LED (멀티 컬러 타입)
LED 램프 (단색 타입)
Infrared Light Emitting Diodes (NIR: Near Infrared)
Infrared Light Emitting Diodes (SWIR: Short Wavelength Infrared)
레이저 다이오드
고출력 레이저 다이오드
적외 레이저 다이오드
적색 레이저 다이오드
멀티 빔 레이저 다이오드
광 센서
투과형 포토 인터럽터
Reflective Type Photosensors
Infrared Light Emitting Diodes (NIR: Near Infrared)
Infrared Light Emitting Diodes (SWIR: Short Wavelength Infrared)
Phototransistors (NIR: Near Infrared)
조도 센서 IC
무선 모듈 / 프린트 헤드
무선 통신 모듈
Wi-SUN 모듈
EnOcean Modules
Bluetooth® low energy 모듈
프린트 헤드
모바일 프린터용
라벨 라이터용
영수증, 라벨 프린터용
고속 영수증 프린터, 스마트 POS 단말기용
물류, 티켓, 계량기용
물류, 고속 라벨 프린터용 (열 이력 제어 기능 시리즈)
TTO (데이터 코드 프린터) 용도
파운드리
박막 피에조 MEMS
웨이퍼(LAPIS)
기술 서포트
제품 찾기
신상품 정보 일람
카탈로그
제품 동영상 갤러리
Cross Reference 검색
패키지 일람
추천 상품 검색
장기 공급 프로그램
부품 선정 툴
동기정류 DC-DC 컨버터 MOSFET 선정 툴
로드 스위치용 MOSFET 간이 선정 툴
서포트 페이지
AC-DC 컨버터 IC
DC-DC 전원 회로 설계 가이드
Isolated flyback-type DC-DC Converter
SiC 파워 디바이스
설계하기
Topology Selection
레퍼런스 디자인
어플리케이션 노트와 디자인 모델
시뮬레이션 / 계산 툴
디자인 모델
ROHM Solution Simulator
LTspice
®
용 회로 모델
Stepping motor for thermal calculations tool
저항의 계산 도구
저항 온도 계수 (TCR) 계산 툴
구입하기
유통 재고
온라인 판매처 정보
공부하기
회로 설계의 길잡이
채용 · 협업 사례
문의 / FAQ
문의
자주하는 질문
솔루션
오토모티브
산업기기
민생기기
기능 솔루션(기능 회로)
오토모티브
xEV
메인 인버터 / 트랙션 인버터
온보드 차저 (OBC) - 쌍방향
온보드 차저 (OBC) - 단방향
차량용 DC-DC 컨버터
차량용 BMS (배터리 매니지먼트 시스템)
ADAS
ADAS 도메인 컨트롤러
ADAS ECU
ADAS Radar
ADAS LiDAR
ADAS Sonar
ADAS 카메라 시스템
ADAS 카메라 모니터링 시스템 (CMS)
ADAS 드라이버 모니터링 시스템 (DMS)
드라이브 레코더
Body ECU
전동 컴프레서 (E-Comp)
Body 컨트롤 모듈 (BCM)
HV 히터 / PTC 히터
LED 라이팅
LED 헤드램프
LED 헤드램프 - Adaptive Driving Beam
LED 리어램프 - Cold Cranking 대응
LED 리어램프 - 애니메이션 점등
LED 리어램프 - 다이나믹 제어
스몰램프
포그램프
인포테인먼트 / 클러스터
클러스터 / 센터 인포메이션 디스플레이 (CID)
헤드업 디스플레이 (HUD)
전동 바이크
메인 인버터 / 트랙션 인버터
VCU (Vehicle Control Unit)
DC-DC 컨버터
램프
클러스터
산업기기
에너지
태양광 발전 인버터 (PV 인버터)
EV용 충전 스테이션 (Off-board Charger)
산업용 AC-DC 컨버터
소형 UPS - 1kVA
UPS - 10kVA
산업용 UPS - 100kVA
산업용 배터리 매니지먼트 시스템 (배터리 팩)
전기 스마트미터
모터
모터 구동 : 3상 AC 100V - 240V 비절연
모터 구동 : 3상 AC 400V 인버터
모터 구동 : DC 12V - 48V 산업용
모터 구동 : 3상 AC 100V - 240V AC 서보
보안기기
가스 누출 검출기 (업무용 · 핸디 타입)
보안 카메라
서버 / 데이터 센터
전원 유닛 (PSU)
배터리 백업 유닛 (BBU)
AI용 서버 마더보드
공장 자동화 (FA / Factory Automation)
산업용 LiDAR
AGV
PLC (Programmable Logic Controller) - 전원 유닛
PLC (Programmable Logic Controller) - 입출력 유닛
코드 리더
광학식 인코더
안전 라이트 커튼
인프라
기지국 Remote Radio Head (RRH)
민생기기
가전 제품
에어컨
냉장고
세탁기
로봇청소기
IH밥솥
가스 누설 경보기 - 가정용
화재 경보기 - 가정용
커뮤니케이션 기기
히어러블 디바이스
기능 솔루션(기능 회로)
전류 센싱
비절연형 전류 센싱 - 자동차기기
비절연형 전류 센싱 - 산업기기
모터
산업용 모터
엣지 컴퓨터 AI
완전 독립형 AI 「Solist-AI™」
기능 안전「ComfySIL™」
기능 안전「ComfySIL™」
구입 · 서포트
유통 재고 검색
전방 일치
▼
전방 일치
부분 일치
완전 일치
구입 · 서포트
영업 거점
온라인 판매처
품질 인증
기타 거점
로옴 그룹
생산 거점
개발 거점 / QA 센터
물류 거점
기업 정보・투자가 정보
회사 정보
주주 · 투자가 정보
연구 개발
문화 · 사회
Sustainability
My ROHM 로그인
제품 정보
기술 서포트
솔루션
구입 · 서포트
기업 정보・투자가 정보
Sustainability
BACK
앰프 / 리니어
파워 매니지먼트 / 전원 IC
모터 / Actuator 드라이버
MOSFET / 트랜지스터 / 다이오드
파워 디바이스
저항기 / 캐패시터 (콘덴서)
메모리
클록 / 타이머
스위치 / 멀티플렉서 / 로직
데이터 컨버터
센서 / MEMS
디스플레이 드라이버
인터페이스
Wireless LSIs
오디오 / 비디오
Speech Synthesis LSIs
Microcontrollers (MCUs)
광 반도체
무선 모듈 / 프린트 헤드
파운드리
BACK
앰프 / 리니어
OP Amp
콤퍼레이터
Current Sense Amplifier ICs
파워 매니지먼트 / 전원 IC
DC-DC 컨버터 IC
플라이백 스위칭 레귤레이터
AC-DC 컨버터 IC
AC 전압 제로 크로스 검출 IC
리니어 레귤레이터
복합 전원 (PMIC, 시스템 전원)
LED 드라이버
Voltage Detector (리셋 IC)
파워 매니지먼트 스위치 IC
IPD (Intelligent Power Device)
게이트 드라이버
Wireless Power
배터리 관리
모터 / Actuator 드라이버
DC Brush 모터 드라이버
스테핑 모터 드라이버
단상 Brushless DC 모터 드라이버
3상 Brushless DC 모터 드라이버
고전압 3상 Brushless DC 모터 드라이버
팬 모터 드라이버
프린터용 드라이버
디지털 스틸 카메라용 드라이버
휴대전화 카메라 모듈용 드라이버
게이트 드라이버
MOSFET
게이트 드라이버
바이폴라 트랜지스터
IGBT
다이오드
IPD (Intelligent Power Device)
파워 트랜지스터
파워 다이오드
SiC 파워 디바이스
GaN 파워 디바이스
IGBT
IPM
게이트 드라이버
저항기
캐패시터 (콘덴서)
메모리
시리얼 EEPROM
클록 / 타이머
CR 제어 방식 타이머 IC
스위치 / 멀티플렉서 / 로직
표준 로직 IC
USB 스위치 IC
파워 매니지먼트 스위치 IC
IPD (Intelligent Power Device)
데이터 컨버터
A/D 컨버터
D/A 컨버터
오디오 컨버터
센서 / MEMS
전류 센서 IC
홀 IC
조도 센서 IC
온도 센서 IC
쇼크 센서용 앰프
광 센서
디스플레이 드라이버
TN / STN LCD 표시용 드라이버
TFT LCD Drivers
OLED Drivers
인터페이스
SerDes IC
LVDS 인터페이스 IC
Gas Water Heaters Interface ICs
다입력 감시 LSI
LIN 트랜시버
CAN 트랜시버
USB Type-C Power Delivery
Wireless LSIs
Industrial Wireless Communication LSIs
오디오 / 비디오
오디오 앰프
오디오 프로세서
비디오 앰프
오디오 컨버터
Video LSIs
Speech Synthesis LSIs
Automotive-grade
Long Playback
Short Playback
Supports External Memory
Speech Play Back MCUs (8bit)
Microcontrollers (MCUs)
엣지 컴퓨터 AI 마이컴 (Solist-AI™ 마이컴)
파워 일렉트로닉스 제어용 마이컴 (LogiCoA™ 마이컴)
General-purpose MCUs (16bit)
USB Interface & Security function MCUs (32bit)
Speech Play Back MCUs (8bit)
LED (발광 다이오드)
레이저 다이오드
광 센서
무선 통신 모듈
프린트 헤드
박막 피에조 MEMS
웨이퍼(LAPIS)
BACK
OP Amp
범용
고속
저소비전류
Low Noise
낮은 오프셋 전압
고성능
콤퍼레이터
범용
고속
저소비전류
DC-DC 컨버터 IC
강압 타입 (Buck)
승압 타입 (Boost)
승강압 / 반전 타입 (Buck-Boost / Inverting)
AC-DC (Offline) 강압
Isolated, Optocoupler-less
PWM / Quasi-Resonant AC-DC (Offline)
AC-DC 컨버터 IC
PWM / Quasi-Resonant
PFC + Quasi-Resonant Combo
PFC
Secondary Side Synchronous Rectification
LED 드라이버
승압 LED 드라이버
강압 LED 드라이버
승강압 LED 드라이버
멀티 타입 LED 드라이버
조명용 LED 드라이버
Inductorless (차지펌프) LED 드라이버
정전류 / Serial-in Parallel-out LED 드라이버
Wireless Power
Power Receiver LSIs (13.56MHz Wireless Charge)
Power Transmitter LSIs (13.56MHz Wireless Charge)
배터리 관리
배터리 충전 IC
충전 보호 IC
Coulomb Counter
Li-ion Battery Monitoring LSIs
게이트 드라이버
절연 소자 내장 게이트 드라이버
Isolated Switch Driver (Isolated MOS Driver)
IGBT / MOSFET High / Low side 게이트 드라이버
Non-insulated Gate Drivers for Battery Management System (BMS)
GaN용 게이트 드라이버
MOSFET
12V~150V MOSFET
190V~800V 파워 MOSFET
오토모티브용 MOSFET
바이폴라 트랜지스터
바이폴라 트랜지스터
디지털 트랜지스터
달링턴 트랜지스터
이종 복합 트랜지스터
다이오드
쇼트키 배리어 다이오드
패스트 리커버리 다이오드
표준 정류 다이오드
제너 다이오드
TVS 다이오드
스위칭 다이오드
밴드 스위칭 다이오드
PIN 다이오드
검파 쇼트키 다이오드s
파워 트랜지스터
12V~150V MOSFET
190V~800V 파워 MOSFET/a>
오토모티브용 MOSFET
바이폴라 트랜지스터
디지털 트랜지스터
파워 다이오드
쇼트키 배리어 다이오드
패스트 리커버리 다이오드
표준 정류 다이오드
TVS 다이오드
제너 다이오드
SiC 파워 디바이스
SiC 쇼트키 배리어 다이오드
SiC MOSFET
SiC 파워 모듈
SiC 쇼트키 배리어 다이오드 Bare Die
SiC MOSFET Bare Die
GaN 파워 디바이스
GaN HEMT
GaN HEMT 파워 스테이지 IC
GaN용 게이트 드라이버
IGBT
Field Stop Trench IGBT
Ignition IGBT
IGBT Bare Die
IPM
IGBT-IPM
MOS-IPM
게이트 드라이버
절연 소자 내장 게이트 드라이버
IGBT / MOSFET High / Low side 게이트 드라이버
Non-insulated Gate Drivers for Battery Management System (BMS)
저항기
전류 검출용 (션트 저항기)
고신뢰성 타입
범용 타입
캐패시터 (콘덴서)
실리콘 캐패시터
시리얼 EEPROM
EEPROM
오토모티브용
표준 로직 IC
로직 게이트
TN / STN LCD 표시용 드라이버
LCD 세그먼트 드라이버
Controller Drivers for Graphic LCD
Controller Drivers for Low Duty LCD
Industrial Wireless Communication LSIs
Specified Low Power Radio (Sub-GHz Band Radio)
LPWA
MCU Included Specified Low Power Radio System LSIs
오디오 앰프
스피커 앰프
헤드폰 앰프
라인 앰프
고음질 오디오용 전원
카 오디오용 시스템 전원
오디오 프로세서
아날로그 오디오 프로세서
비디오 앰프
컴포지트 비디오 앰프
비디오 스위치
Isolation 앰프
오디오 컨버터
오디오 DAC
Video LSIs
Video Decoders
Video Encoders
Display Controller Series for Small to Medium-Sized TFT LCD
LED (발광 다이오드)
칩 LED (단색 타입)
칩 LED (멀티 컬러 타입)
LED 램프 (단색 타입)
Infrared Light Emitting Diodes (NIR: Near Infrared)
Infrared Light Emitting Diodes (SWIR: Short Wavelength Infrared)
레이저 다이오드
고출력 레이저 다이오드
적외 레이저 다이오드
적색 레이저 다이오드
멀티 빔 레이저 다이오드
광 센서
투과형 포토 인터럽터
Reflective Type Photosensors
Infrared Light Emitting Diodes (NIR: Near Infrared)
Infrared Light Emitting Diodes (SWIR: Short Wavelength Infrared)
Phototransistors (NIR: Near Infrared)
조도 센서 IC
무선 통신 모듈
Wi-SUN 모듈
EnOcean Modules
Bluetooth® low energy 모듈
프린트 헤드
모바일 프린터용
라벨 라이터용
영수증, 라벨 프린터용
고속 영수증 프린터, 스마트 POS 단말기용
물류, 티켓, 계량기용
물류, 고속 라벨 프린터용 (열 이력 제어 기능 시리즈)
TTO (데이터 코드 프린터) 용도
BACK
제품 찿기
부품 선정 툴
서포트 페이지
설계하기
시뮬레이션 / 계산 툴
구입하기
공부하기
문의 / FAQ
BACK
신상품 정보 일람
카탈로그
제품 동영상 갤러리
Cross Reference 검색
패키지 일람
추천 상품 검색
장기 공급 프로그램
Topology Selection
레퍼런스 디자인
어플리케이션 노트와 디자인 모델
유통 재고
온라인 판매처 정보
회로 설계의 길잡이
채용 · 협업 사례
문의
자주하는 질문
동기정류 DC/DC 컨버터 MOSFET 선정 툴
로드 스위치용 MOSFET 간이 선정 툴
디자인 모델
ROHM Solution Simulator
LTspice
®
용 회로 모델
AC/DC Designer
Stepping motor for thermal calculations tool
저항의 계산 도구
저항 온도 계수 (TCR) 계산 툴
AC/DC 컨버터 IC
DC-DC 전원 회로 설계 가이드
Isolated flyback-type DC-DC Converter
SiC 파워 디바이스
BACK
오토모티브
산업기기
민생기기
기능 솔루션(기능 회로)
BACK
xEV
Body ECU
ADAS
LED 라이팅
인포테인먼트 / 클러스터
전동 바이크
에너지
모터
인프라
서버 / 데이터 센터
공장 자동화 (FA / Factory Automation)
보안기기
가전 제품
커뮤니케이션 기기
전류 센싱
모터
엣지 컴퓨터 AI
기능 안전「ComfySIL™」
BACK
메인 인버터 / 트랙션 인버터
온보드 차저 (OBC) - 쌍방향
온보드 차저 (OBC) - 단방향
차량용 DC-DC 컨버터
차량용 BMS (배터리 매니지먼트 시스템)
전동 컴프레서 (E-Comp)
Body 컨트롤 모듈 (BCM)
HV 히터 / PTC 히터
ADAS 도메인 컨트롤러
ADAS ECU
ADAS Radar
ADAS LiDAR
ADAS Sonar
ADAS 카메라 시스템
ADAS 카메라 모니터링 시스템 (CMS)
ADAS 드라이버 모니터링 시스템 (DMS)
드라이브 레코더
LED 헤드램프
LED 헤드램프 - Adaptive Driving Beam
LED 리어램프 - Cold Cranking 대응
LED 리어램프 - 애니메이션 점등
LED 리어램프 - 다이나믹 제어
스몰램프
포그램프
클러스터 / 센터 인포메이션 디스플레이 (CID)
헤드업 디스플레이 (HUD)
메인 인버터 / 트랙션 인버터
VCU (Vehicle Control Unit)
DC-DC 컨버터
램프
클러스터
태양광 발전 인버터 (PV 인버터)
EV용 충전 스테이션 (Off-board Charger)
산업용 AC-DC 컨버터
소형 UPS - 1kVA
UPS - 10kVA
산업용 UPS - 100kVA
산업용 배터리 매니지먼트 시스템 (배터리 팩)
전기 스마트미터
모터 구동 : 3상 AC 100V - 240V 비절연
모터 구동 : 3상 AC 400V 인버터
모터 구동 : DC 12V - 48V 산업용
모터 구동 : 3상 AC 100V - 240V AC 서보
기지국 Remote Radio Head (RRH)
전원 유닛 (PSU)
배터리 백업 유닛 (BBU)
AI용 서버 마더보드
산업용 LiDAR
AGV
PLC (Programmable Logic Controller) - 전원 유닛
PLC (Programmable Logic Controller) - 입출력 유닛
코드 리더
광학식 인코더
안전 라이트 커튼
가스 누출 검출기 (업무용 · 핸디 타입)
보안 카메라
에어컨
냉장고
세탁기
IH밥솥
가스 누설 경보기 - 가정용
화재 경보기 - 가정용
히어러블 디바이스
비절연형 전류 센싱 - 자동차기기
비절연형 전류 센싱 - 산업기기
>산업용 모터
기능 안전「ComfySIL™」
완전 독립형 AI 「Solist-AI™」
BACK
구입 · 서포트
기타 거점
BACK
영업 거점
온라인 판매처
품질 인증
로옴 그룹
생산 거점
개발 거점 / QA 센터
물류 거점
유통 재고 검색
전방 일치
부분 일치
완전 일치
BACK
회사 정보
주주 · 투자가 정보
연구 개발
문화 · 사회
main_sensor-shield-support
sensor-shield-support side
로옴 센서 평가 kit TOP
Evaluation Kit
기압 센서
BM1390GLV-EVK-001
가속도 센서
KXTJ3-1057-EVK-002
온도 센서
BH1900NUX-EVK-001
근접 조도 센서
RPR-0521RS-EVK-001
Hall 센서
BD7411G-EVK-001
온도 센서
BD1020HFV-EVK-001
Arduino용 쉴드 기판
SHIELD-EVK-001
関連情報
로옴의 센서
로옴 그룹 센서 제품 소개 특설 페이지
製品特設CSS
color-sensor-sensor shield
데이터 시트
조도 센서 IC 시리즈 16bit 시리얼 출력 디지털 컬러 센서 IC
1.55MB
DOWNLOAD
핀 아웃 / 쉴드 정보
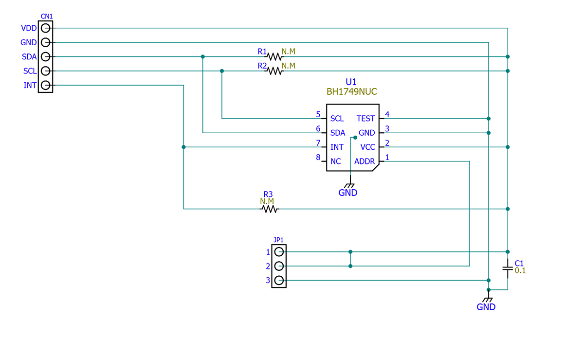
회로도
기판 레이아웃
하드웨어 설정
I
2
C 부분에 보드 삽입
전원전압 설정 (3.0V)
매뉴얼
ROHM Sensor Shield Usage
1.11MB
DOWNLOAD
BH1749NUC-EVK-001 Manual
723KB
DOWNLOAD
소프트웨어
BH1749NUC 소프트웨어 (사용 허가 페이지로 이동)
4.1KB
DOWNLOAD
Hidden